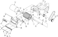
EZ-8 Drum Sander Parts
If you have the part number you need simply enter it in the Search window above to see price, availability, and to order. To find a part number, click on the applicable machine diagram below. If your machine is not listed here please contact American Sanders Customer Service.
