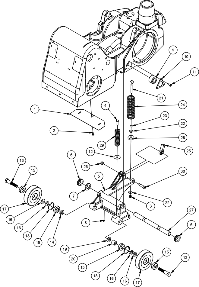
| Item | Part Number | Qty | Description | | Item | Part Number | Qty | Description |
| 1 | 60397A | 1 | COVER DUST THROAT | | 16 | NB075100 | 4 | WASHER, .625 ID X 1.000 OD X .025 THK |
| 2 | 85517A | 3 | SCREW #10-24 X 1/2 PHCR TYPE 23 | | 17 | 50992A | 2 | WHEEL ASM TRUCK |
| 3 | 81102A | 1 | NUT STOP ELASTIC 1/4-20 HEX | | 18 | 167312 | 2 | RING, RETAINER, INTERNAL |
| 4 | NB6530 | 1 | SCREW, CAP, HH, 1/4-20 X 1 | | 19 | 87003A | 1 | WASHER .59X1.00X.09 FLAT ST |
| 5 | AS060900 | 1 | CONTROL CARRIAGE, SPRING SUSP. | | 20 | 67817A | 1 | SPACER |
| 6 | 193944 | 2 | GROMMETRUBBER 3/4ID X 3/8 | | 21 | 80119A | 1 | BOLT, EYE, 1/2 ID 1/4-20 X 3 OAL |
| 7 | 980679 | 1 | WASHER 3/4 SAE FLAT PLTD | | 22 | 87007A | 2 | WASHER- CONTROL SHAFT ECCENTRIC |
| 8 | 962184 | 2 | SCR 1/4 -20X 3/8 ST ST KNURL | | 23 | 920208 | 1 | NUT HEX 1/4 - 20 PLTD |
| 9 | 51190A | 1 | BEARING SELF ALIGNING | | 24 | AS047500 | 1 | SPRING, COMPRESSION, HD PRESSU |
| 10 | 66972A | 1 | RETAINER, BEARING, HK-8 | | 25 | 53538A | 1 | ROD END 3/8-24 L.H. FEMALE |
| 11 | 962823 | 3 | SCR 1/4-20 X 1/2 PN ST PH | | 26 | 920110 | 1 | NUT, 5/16-18 HEX LOCK |
| 12 | NB006400 | 1 | WASHER, FENDER, 1/4" X 1 1/4" | | 27 | AS047600 | 1 | AXLE, TRUCK, LEGEND |
| 13 | 51340A | 2 | SHAFT TRUCK WHEEL | | 28 | AS047700 | 1 | SPACER, SPRING POSITION |
| 14 | 51339A | 1 | SPACER TRUCK WHEEL | | 29 | AS059400 | 1 | SPRING, SUSPENSION |
| 15 | 56106070 | 4 | BEARING BALL Z22 | | 30 | NB079600 | 1 | SCREW, SHOULDER, 3/8 X 1, 5/16-18 |