X
FM 1700
FM 2000
X
FM 1700
FM 2000
X
X
X
X
X
X
X
X
X
X
X
X
X
X
X
X
X
X
FM-Rotary
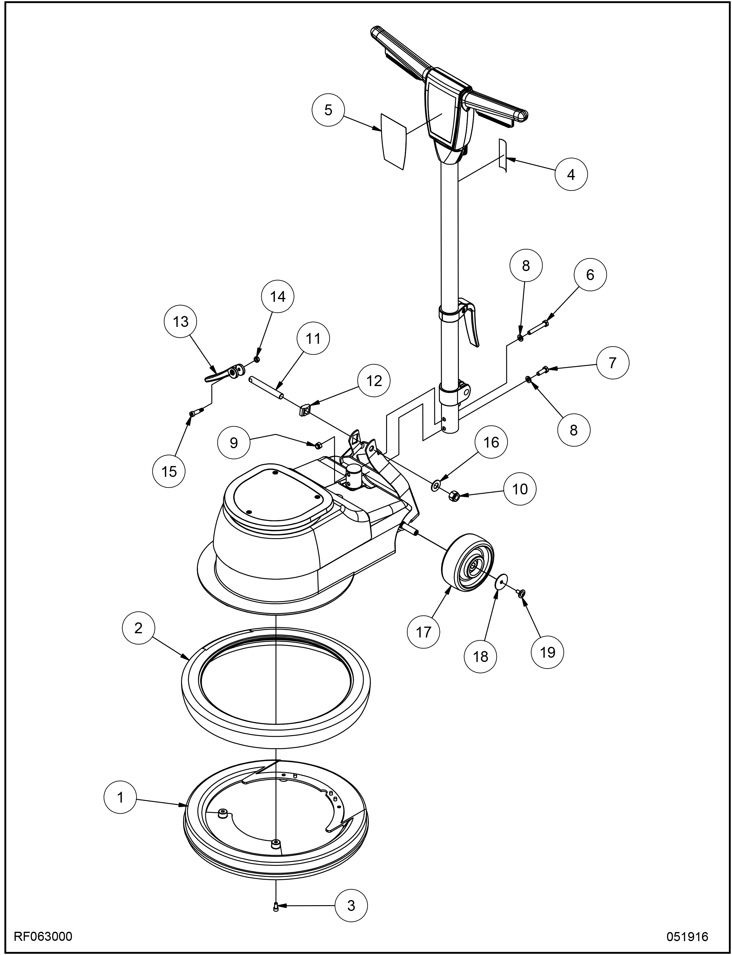
Main Assembly RF063000





















| Item | Ref. No. | Qty | Description | Item | Ref. No. | Qty | Description |
| 1A | 507851 | 1 | SHIELD, BRUSH, FM1700 | 9 | 920110 | 1 | NUT, LOCK, 5/16” |
| 1B | 507861 | 1 | SHIELD, BRUSH FM2000 | 10 | 920365 | 1 | NUT, LOCK, 1/2” |
| 2A | 31234B | 1 | BUMPER, BRUSH, FM1700 | 11 | 501346 | 1 | BOLT, LOCKING, CAM |
| 2B | 31235B | 1 | BUMPER, BRUSH, FM2000 | 12 | 743850 | 1 | GUIDE, LOCK, HANDLE |
| 3 | 962337 | 4 | SCREW, SH, 1/4” X 1/2” | 13 | 61912A | 1 | CAM, LOCK, HANDLE |
| 4 | 56380639 | 1 | DECAL, PROP 65 | 14 | 920349 | 1 | NUT, LOCK, 1/4” |
| 5 | MP500700 | 1 | DECAL, HANDLE, FM | 15 | 960969 | 1 | BOLT, SHOULDER, 5/16” X 3/4” |
| 6 | 85817A | 1 | BOLT, HEX, 5/16” X 2” | 16 | 980648 | 1 | WASHER, FLAT, 17/32” ID |
| 7 | 85812A | 1 | BOLT, HEX, 5/16” X 7/8” | 17 | MP487400 | 2 | WHEEL, 5” X 2” |
| 8 | 980652 | 2 | WASHER, LOCK, 5/16” | 18 | 87058A | 2 | WASHER, RETAINER |
| 19 | 56109766 | 2 | SCREW, BH, 1/4” X 5/8” |