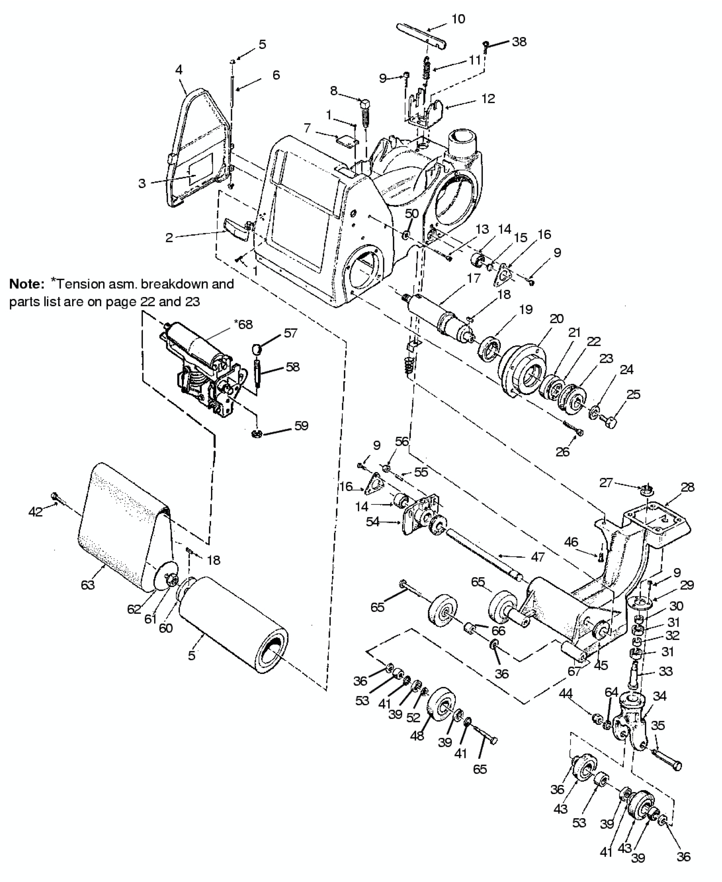
To purchase parts for the Apollo 8 (Assembly 1):
- Reference the part needed from the parts diagram and refer to the parts list below.
- Copy the Part Number and paste it into the search window above to see availability and pricing.
- Confirm your parts selection and "Add To Cart".
Item | Part Number | QTY | Description | Item | Part Number | QTY | Description | Item | Part Number | QTY | Description | ||
1 | 85517A | 5 | SCREW 10-24X1/2 PN SB TP-T PH | 24 | 87034A | 1 | RETAINERMTR PULLEY CLASSIC 8 | 47 | 60514A | 1 | AXLE TRUCK HK-8 | ||
2 | 55710A | 1 | LATCHDRAWCLASSIC 12 | 25 | 962244 | 1 | BOLT 3/8-16 X HHCS | 48 | 19610A | 3 | WHEEL ASM TRUCK 80 A***OBSOLETE**** | ||
3 | 77057A | 1 | LABELBELT TRACKINGCLASSIC 8 | 26 | 86110A | 4 | SCREW3/8-16 X 1SOCKET HEAD | 49 | 87029A | 1 | WASHERPLAIN3/4 NOM | ||
4 | 22302A | 1 | DOOR ACCESS PNTD APOLLO 8 | 27 | 81209A | 1 | NUT LARGE FLANGE 1/2-13 | 50 | 87000A | 3 | WASHER .39X.75X.09 FLAT ST | ||
5 | 50765A | 2 | WHEELCONTACT | 28 | 23423C | 1 | TRUCK - BLACK | 51 | 50837A | 1 | SPRING COMPRESSION | ||
6 | 66545A | 1 | PIN ACCESS DOOR HINGE HK-8 | 29 | 66913A | 1 | RETAINER BEARING | 52 | 67862A | 3 | SPACERTRUCK WHEEL.06 THK | ||
7 | 61411A | 1 | PADT-SCREWCLASSIC 12 | 30 | 67812A | 1 | SPACER-BRKT CASTER | 53 | 67810A | 2 | SPACER | ||
8 | 86206A | 1 | SCREW, SET, 3/4-10 X 3 SQ HD | 31 | 51112A | 2 | BEARING 6202 | 54 | 21401A | 1 | CARRIER, BEARING (HK-8) | ||
9 | 962823 | 11 | SCR 1/4-20 X 1/2 PN ST PH | 32 | 67821A | 1 | SPACER DRUM SANDER | 55 | 68010A | 3 | STUDIDLER ARM8 BELT SANDER | ||
10 | 60015A | 1 | LEVER PRESSURE SET | 33 | 60715B | 1 | BOLTPIVOTAMERICAN 8 & 12 | 56 | 81215A | 3 | NUT,HEX,SERRATED FLANGE,3/8-24 | ||
11 | 58691A | 1 | SPRING SANDING PRESSURE CLASSI | 34 | 29403C | 1 | YOKE WHEEL - BLACK | 57 | 815051 | 1 | KNOB HANDLE PE20 | ||
12 | 60014A | 1 | BRACKET PRESSURE SET | 35 | 60101A | 1 | AXLE | 58 | 64467A | 1 | HANDLETENSION RELEASE CLASS | ||
13 | 86112A | 3 | SCREW3/8-16 X 3/4SOCKET HEAD | 36 | 87003A | 4 | WASHER .59X1.00X.09 FLAT ST | 59 | 920110 | 1 | NUT LK 5/16-18 REGPLTD | ||
14 | 51190A | 2 | BEARING SELF-ALIGNING | 37 | 50933A | 1 | SPRING RETAINER | 60 | 87030A | 1 | RETAINERCONTACT WHEELCLASSIC | ||
15 | 57714A | 1 | RING RETAINING 3/4 SHAFT DI | 38 | 962988 | 1 | SCREW 1/4-20X1 1/4 PN ST PH | 61 | 81106A | 1 | NUTHEX LOCK3/4-10 | ||
16 | 66972A | 2 | RETAINER BEARING HK-8 | 39 | 902606 | 10 | BEARING BALL 6002 | 62 | 68674A | 1 | PLATE DRUM END HK-8 | ||
17 | 67464A | 1 | SHAFT ARBOR HK-8 | 40 | 2 | Hub | 63 | Abrasive | |||||
18 | 65309A | 2 | KEYTRUCK AXLE8 BELT SANDER | 41 | 747304 | 8 | RING RETAIN ARM BRG 37 | 64 | 87101A | 1 | WASHER LOCK 1/2 NOM | ||
19 | 51172A | 1 | BEARINGBALLDBL/SLS 8 BELT | 42 | 87700A | 1 | SCREW1/4-20 X 1/2 BUTTON HEAD | 65 | 85729A | 3 | SCREW HEX HEAD 9/16-12 X 2 | ||
20 | 61641A | 1 | CARRIER BEARING CLASSIC 8 | 43 | 19611A | 2 | WHEEL ASM CASTER 80 A | 66 | 67890A | 2 | SPACER TRUCK WHEEL .31 THK. | ||
21 | 51171A | 1 | BEARINGBALLDBL/SLS 8 BELT | 44 | 920196 | 2 | NUT-1/2-13 HEX JAM | 67 | 962184 | 2 | SCR 1/4 -20X 3/8 ST ST KNURL | ||
22 | 57844A | 1 | RINGRETAININGARBOR8 BELT S | 45 | 833401 | 1 | GASKET-DRAIN****OBSOLETE**** | 68 | 1 | TENSION ASSEMBLY | |||
23 | 66189A | 1 | PULLEY MOTOR HK-8 | 46 | 82504A | 1 | PINCLEVIS5/16 X 3/4 |