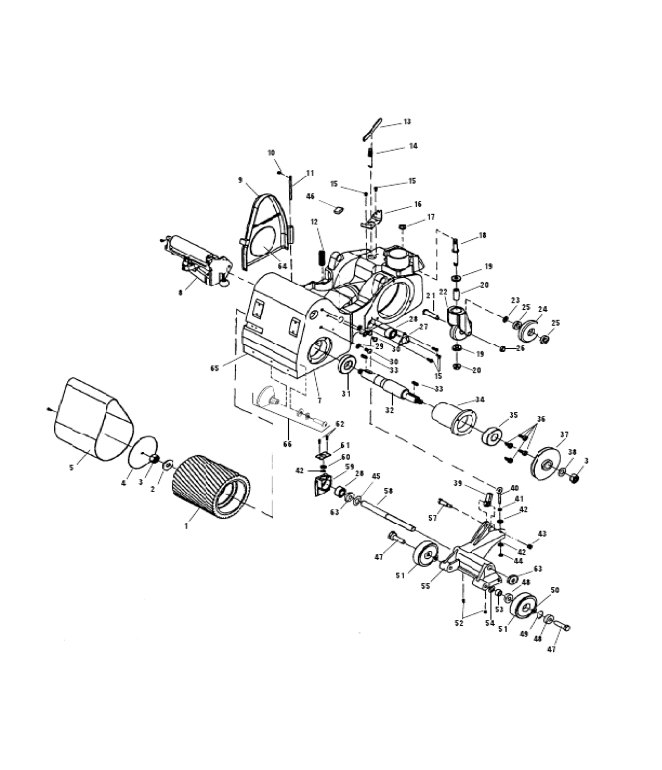
To purchase parts for the Clarke FloorCrafter (Truck Assembly):
- Reference the part needed from the parts diagram and refer to the parts list below.
- Copy the Part Number and paste it into the search window above to see availability and pricing.
- Confirm your parts selection and "Add To Cart".
Item | Part Number | QTY | Description | Item | Part Number | QTY | Description | |
1 | 20015A | 1 | WHEEL CONTACT | 34 | 51051A | 1 | BEARING CARRIER | |
2 | 60377A | 1 | RETAINER CONTACT WHEEL | 35 | 51224A | 1 | BEARING BALL | |
3 | 81106A | 2 | NUTHEX LOCK3/4-10 | 36 | 86110A | 4 | SCREW3/8-16 X 1SOCKET HEAD | |
4 | 60376A | 1 | PLATE DRUM END | 37 | 51053A | 1 | PULLEY DRUM | |
5 | 56382754 | 1 | BELTABRASIVE100GRT 8SNDRS CS10 | 38 | 60378A | 1 | RETAINER DRUM PULLEY | |
6 | 87700A | 1 | SCREW1/4-20 X 1/2 BUTTON HEAD | 39 | 53538A | 1 | ROD END 3/8-24 L.H. FEMALE | |
7 | 20022A | 1 | MAINFRAME FLOORCRAFTER 8 | 40 | 80119A | 1 | BOLT EYE-1/2 ID 1/4-20X3 OAL | |
8 | 10244A | 1 | BELT TENSIONER ASM | 41 | 920208 | 1 | NUT HEX 1/4-20PLTD | |
9 | 20021A | 1 | ACCESS DOOR | 42 | 87007A | 3 | WASHER-CONTROL SHAFT ECCENTRIC | |
10 | 51211A | 5 | E-RING .25 DIA | 43 | 920110 | 1 | NUT LK 5/16-18 REGPLTD | |
11 | 60389A | 1 | PIN HINGE | 44 | 81102A | 2 | NUT STOP ELASTIC 1/4-20 HEX | |
12 | 60380A | 1 | SCREW LEVELING | 45 | 980679 | 1 | WASHER 3/4 SAE FLAT PLTD | |
13 | 60356A | 1 | LEVER PRESSURE ADJUST | 46 | 52241A | 1 | FLANGE | |
14 | 51096A | 1 | SPRING PRESSURE ADJUST | 47 | 51340A | 2 | SHAFT TRUCK WHEEL | |
15 | 962823 | 5 | SCR 1/4-20 X 1/2 PN ST PH | 48 | 51225A | 4 | BEARING BALL 6202 2RS | |
16 | 60357A | 1 | BRACKET PRESSURE ADJUST | 49 | 167312 | 2 | RING RETAIN 40137 | |
17 | 81209A | 1 | NUT LARGE FLANGE 1/2-13 | 50 | 60481A | 2 | SPACER | |
18 | SA034000 | 1 | SHAFT, YOKE, FLOORCRAFTER, REPLAC. KIT | 51 | 50992A | 2 | WHEEL ASM TRUCK | |
19 | 51279A | 2 | BEARING BALL-1/2X1-1/8X5/16 | 52 | 962184 | 2 | SCR 1/4 -20X 3/8 ST ST KNURL | |
20 | 60355A | 1 | SPACER CASTER BEARING | 53 | 67817A | 1 | SPACER | |
21 | 60353A | 1 | AXLE WHEEL | 54 | 87003A | 2 | WASHER .59X1.00X.09 FLAT ST | |
22 | 20024A | 1 | YOKE CASTER | 55 | 20017A | 1 | CONTROL CARRIAGE | |
23 | 87003A | 2 | WASHER .59X1.00X.09 FLAT ST | 56 | 51339A | 1 | SPACER TRUCK WHEEL | |
24 | 19611A | 2 | WHEEL ASM CASTER 80 A | 57 | 80035B | 2 | BOLT SHOULDER 3/8 X 1 1/4 | |
25 | 51226A | 4 | BEARING BALL 6002 | 58 | 60375A | 1 | AXLE TRUCK | |
26 | 920196 | 2 | NUT-1/2-13 HEX JAM | 59 | 20019A | 1 | BRACKET LEVELING | |
27 | 66972A | 1 | RETAINER BEARING HK-8 | 60 | 51203A | 1 | E-RING BOWED .625 DIA | |
28 | 51190A | 2 | BEARING SELF-ALIGNING | 61 | 60351A | 1 | PLATE RETAINING | |
29 | 980645 | 3 | WASHER 3/8 FLAT SAE | 62 | 962911 | 2 | SCR 10-24X 1/2 BT SS ALLEN | |
30 | 962870 | 3 | SCR 3/8 -16X1 BT ST ALLEN | 63 | 193944 | 1 | GROMMETRUBBER 3/4ID X 3/8 | |
31 | 51223A | 1 | BEARING BALL | 64 | 70236A | 1 | LABEL BELT TRACKING | |
32 | 51052A | 1 | SHAFT ARBOR | 65 | 30186A | 1 | BUMPER FRONT EDGE | |
33 | 60394A | 2 | KEY | 66 | 10958A | 1 | ROLLER ASM. |