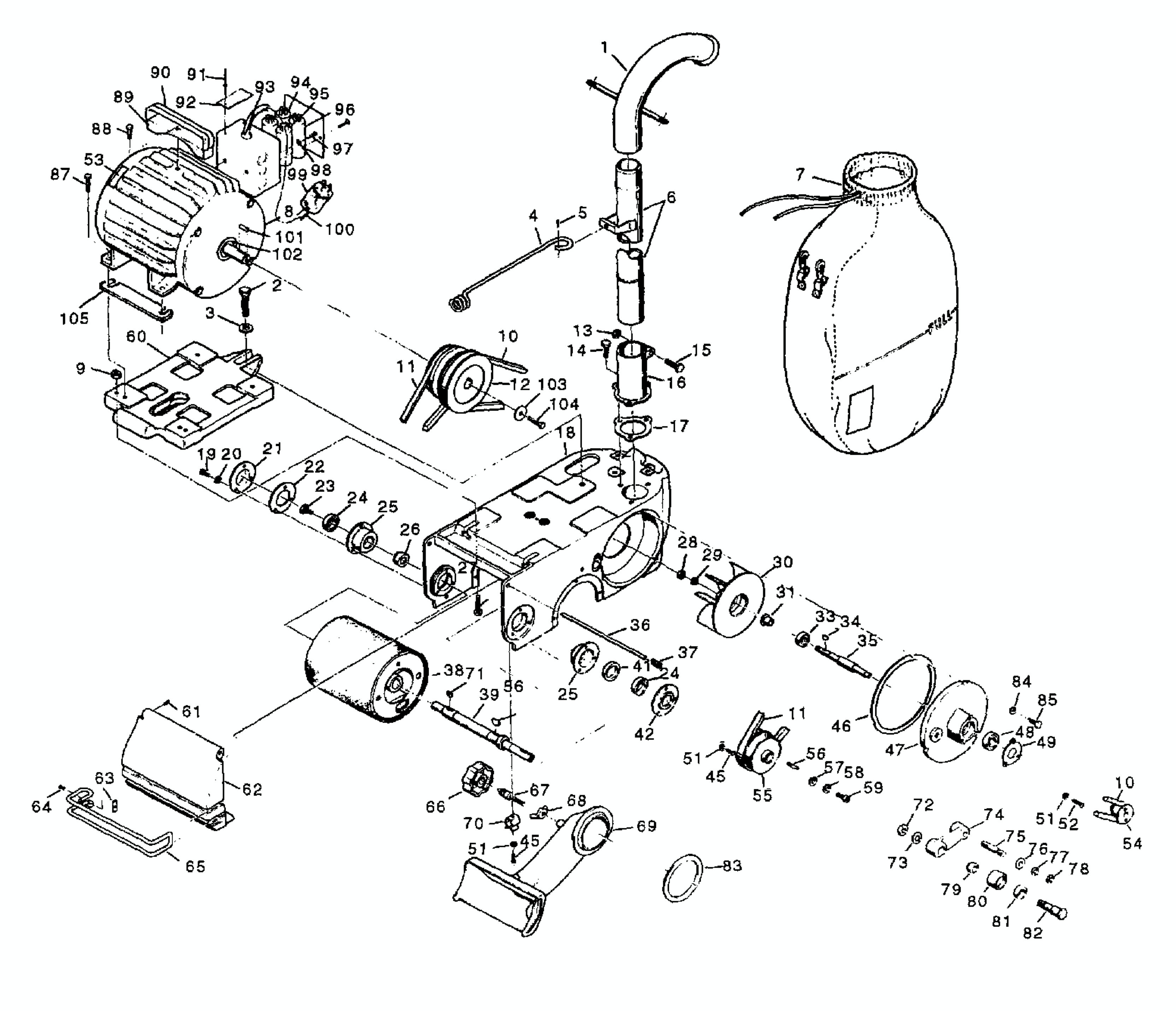
To purchase parts for the American 8 (Main Assembly):
- Reference the part needed from the parts diagram and refer to the parts list below.
- Copy the Part Number and paste it into the search window above to see availability and pricing.
- Confirm your parts selection and "Add To Cart".
Item | Part Number | Qty | Description | Item | Part Number | Qty | Description | Item | Part Number | Qty | Description | ||
1 | 62800A | 1 | PIPE ASSY | 38 | 13501A | 1 | DRUM ASMBALANCEDAMERICAN 8 | 77 | 87101A | 1 | WASHER LOCK 1/2 NOM | ||
2 | 85706A | 1 | SCR 1/2 -13X1&3/4 HX ST CAP | 39 | 67425A | 1 | SHAFT-DRUM | 78 | 920132 | 1 | NUT-1/2-20 HEX JAM | ||
3 | 87006A | 1 | WASHER .56X1.38X.11 FLAT ST | 18601A | 1 | SHAFT ASM DRUM WITH KEYS AM | 79 | 67813A | 1 | SPACER-IDLER BRG | |||
4 | 60401A | 1 | ARM-CABLE | 41 | 67313A | 1 | SPACER-BRG-DRUM | 80 | 67701A | 1 | SLEEVE-IDLER | ||
5 | 925036 | 1 | PIN-3/32X3/4 COTTER | 42 | 66918A | 1 | RETAINERFELT WASHERPNTDAM 8 | 81 | 902550 | 1 | BEARING BALL-6203 | ||
6 | 66110A | 1 | PIPE ASM DUST AM 8/12 | 45 | 962983 | 4 | SCR 1/4 -20X 5/8 PN ST MACH | 82 | 67317A | 1 | SHAFT-IDLER | ||
7 | 50954A | 1 | BAG DUST SANDERS | 46 | 34225A | 1 | GASKET-PLATE SUPPORT | 83 | 34222A | 1 | GASKET-PAN DUST | ||
8 | 44639A | 1 | MOTOR4 HP 230/60CLASSIC 8 | 47 | 26503C | 1 | FAN PLATE - BLACK | 84 | 980651 | 3 | WASHER 5/16 SAE FLAT | ||
44640A | 1 | MOTOR3 HP240 V / 50 HZCLASS | 48 | 51111A | 1 | BEARINGBALL | 85 | 85811A | 3 | BOLT 5/16-18 X 3/4 HX HD | |||
9 | 920260 | 2 | NUT 3/8 -16 HEX | 49 | 62001A | 1 | CAP-BEARING | 86 | 962103 | 2 | SCREW 5/16-18 X 3/8 SET KNURL | ||
10 | 50920A | 1 | BELT FAN AMERICAN 8 | 50 | 38109A | 1 | SEAL DUST PIPE FLOOR SANDERS | 87 | 962216 | 4 | SCREW 3/8-16 X 1-1/4 HX HD | ||
11 | 51024A | 1 | BELT DRUM AMERICAN 8 | 51 | 980657 | 7 | WASHER LOCK 1/4 STD | 88 | 962870 | 1 | SCR 3/8 -16X1 BT ST ALLEN | ||
12 | 66168A | 1 | PULLEY MOTOR AMERICAN 8 | 52 | 962823 | 3 | SCR 1/4-20 X 1/2 PN ST PH | 89 | 64460A | 1 | HANDLE WLDMTMOTOR LIFTPNTD8 | ||
13 | 920256 | 1 | NUT-5/16-18 HEX | 53 | 77234A | 1 | LABELWARNINGHEAVY OBJECT | 90 | 32357A | 2 | COVERHANDLECLASSIC 8 | ||
14 | 85820A | 3 | SCREW 3/8-16 X 5/8 HX CAP G5 | 54 | 66169A | 1 | PULLEY FAN AMERICAN 8 | 91 | 930087 | 2 | RIVET 1/8DIA USM AD42BS | ||
15 | 85816A | 1 | SCREW 5/16-18 X 1 3/4 HX HD | 55 | 66167A | 1 | PULLEY DRUM AMERICAN 8 | 92 | 74044A | 1 | PLATEDANGERFIRECLASSIC 8 | ||
16 | 27801C | 1 | SUPPORT - DUST PIPE | 56 | 80501A | 2 | KEY MTR SHAFT-3/16SQ X 1 1/4L | 93 | 697502 | 1 | STRAIN RELIEF-BUSHING SR 8L-1 | ||
17 | 34223A | 1 | GASKET-SUPPORT PIPE | 57 | 68703A | 1 | WASHER-PUL-DRUM | 94 | 41305A | 2 | CAPACITOR ELECTR 161-193MFD | ||
18 | 23405B | 1 | FRAME MAIN AM-8 | 58 | 980652 | 1 | WASHER LK 5/16 REGPLTD | 95 | 41304A | 1 | CAPACITOR OIL FILLED 40MFD | ||
19 | 962016 | 3 | SCR 10-24X 1/2 RD ST MACH | 59 | 962258 | 1 | SCR 5/16-18X1 SC ST CAP | 96 | 47378A | 1 | SWITCH MOTOR STARTING CLASSI | ||
20 | 980650 | 3 | WASH .19 x .34 x .04 LOCK | 60 | AS019300 | 1 | PLATFORM, MOTOR, BLACK, AM-12 | 97 | 962823 | 2 | SCR 1/4-20 X 1/2 PN ST PH | ||
21 | 62608C | 1 | COVER DRUM SHAFT | 61 | 962262 | 1 | SCREW 8-32 X 1/4 ST CUPPT | 98 | 980614 | 2 | WASHER LK 1/4 EXT TOOTHPLTD | ||
22 | 54305A | 1 | GASKET | 62 | 22101A | 1 | COVER DRUM AMERICAN 8 | 99 | 45604A | 1 | PLUGELECT. NEMA L6-30P | ||
23 | 67316A | 1 | SCR7/16-20 LH.THREAD DRUM LOCK | 63 | 62404A | 1 | CLAMP-BUMPER REAR | 100 | 41945A | 1 | CORDMOTORCLASSIC 8 | ||
24 | 51110A | 2 | BEARING-BALL | 64 | 962348 | 1 | SCR 10-24X 1/2 SF ST CAP | 101 | 915098 | 1 | Key, 1/4 Sq. x 1 1/4 | ||
25 | 64703A | 2 | HOUSING-BEARING SHAFT | 65 | 31210A | 1 | BUMPER-DRUM COVER | 102 | 57712A | 1 | RINGRETAININGMOTOR SHAFT8 | ||
26 | 67811A | 1 | SPACER-DRUM | 66 | 26900A | 1 | RING-LOCK-PAN-DUST | 103 | 87034A | 1 | RETAINERMTR PULLEY CLASSIC 8 | ||
27 | 69032A | 2 | SCREW MOTOR LOCATING AMERIC | 67 | 67311A | 1 | SCR | 104 | 962288 | 1 | SCREW 3/8-16 X 1.0 HX ST CAP | ||
28 | 81202A | 1 | NUT 7/16-14 HX ST LH | 68 | 81900A | 1 | NUT 7/16-14 WING ST | 105 | 67642A | 4 | Shim, Motor | ||
29 | 87002A | 1 | WASHERFLAT | 69 | 26100A | 1 | PAN-DUST | 50563A | 1 | End Bell | |||
30 | 23301A | 1 | FAN | 70 | 61600A | 1 | CLIP-DUST | 52768A | 1 | Front Cover | |||
31 | 61602A | 1 | COLLAR | 71 | 65301A | 1 | KEY-HP 606 | 53998A | 1 | FAN CLASSIC-8 | |||
33 | 902567 | 1 | BEARING BALLDOUBLE SEALED | 72 | 920280 | 1 | NUT-5/8-18X3/8 HEX JAM | 52769A | 1 | COVER FAN CLASSIC-8 | |||
34 | 65302A | 1 | KEY-WOODRUFFSPECIAL | 73 | 87102A | 1 | WASHER .62X1.09X.16 LOCK ST | 51188A | 1 | BEARING RADIAL BALL CLASSIC 8 | |||
35 | 67411A | 1 | SHAFT-FAN | 74 | 20400B | 1 | ARM IDLER | 902547 | 1 | BEARING 6205 | |||
36 | 67414A | 1 | SHAFT | 75 | 68000A | 1 | STUD-IDLER | 40316A | 1 | Armature Assembly | |||
37 | 67911A | 1 | SPRING | 76 | 87005A | 1 | WASHER .52X1.00X1.00 FLAT HARD | AS022800 | ROTOR/SHAFT ASSEMBLY, FOR 44639A |