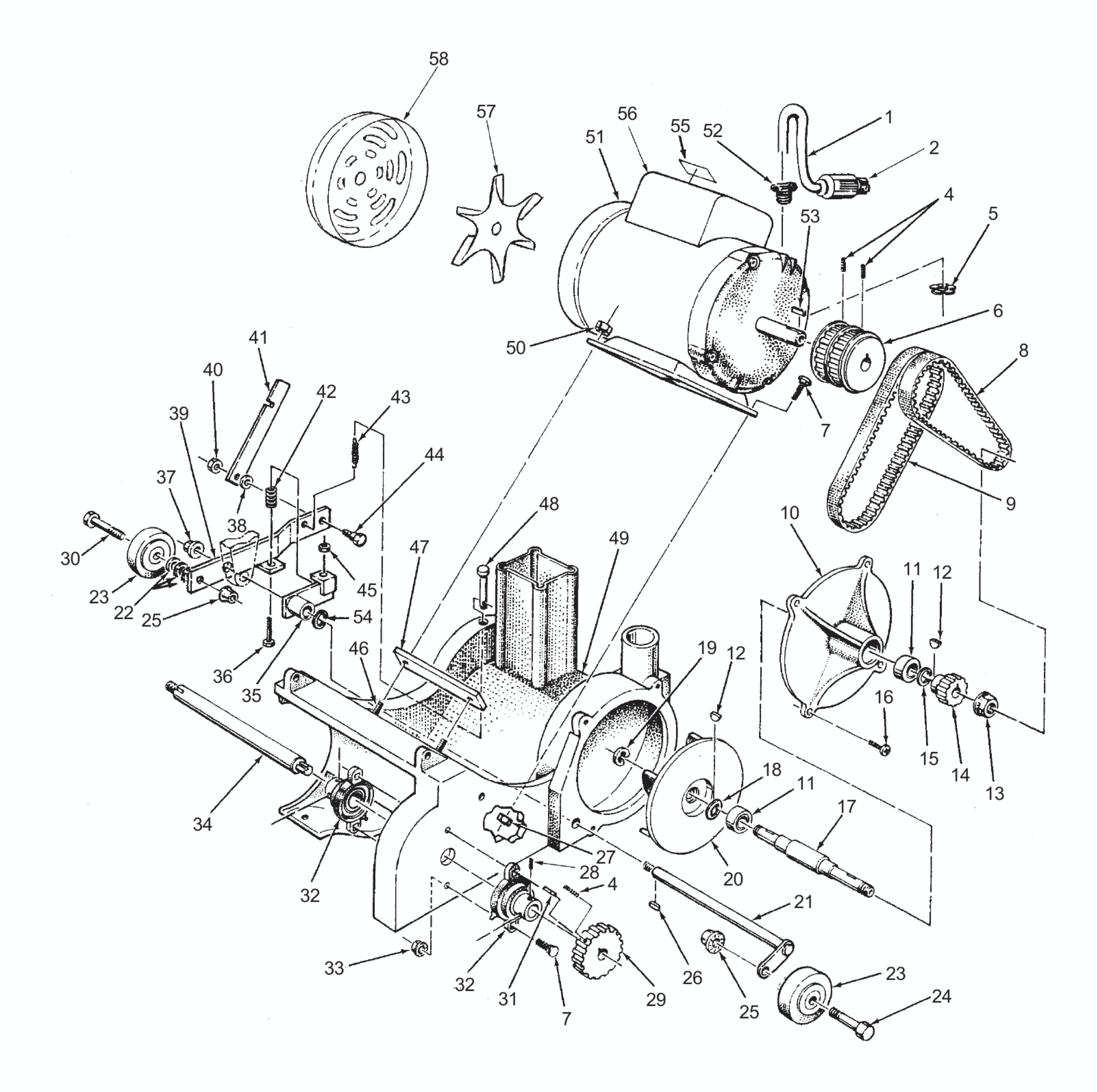
| Item | Part Number | Qty | Description | | Item | Part Number | Qty | Description | | Item | Part Number | Qty | Description |
| 1 | 41970A | 1 | CORD MOTOR UK EZ-8 | | 23 | 59945A | 2 | WHEELTRUCK EZ-8 | | 44 | 80026A | 1 | BOLT SHOULDER 3/8 X 1/2 |
| 2 | 45602A | 1 | PLUGELECT. NEMA L6-15P | | 24 | 86113A | 1 | SCREW1/2-13 X 2 SOC LOW HD | | 45 | 920284 | 1 | NUTSTOPELASTIC1/4-20HEAVY |
| 4 | 962831 | 3 | SCR 10-32X 5/16 ST ST KNURL | | 25 | 920365 | 2 | NUT LK 1/2-13 REGPLTD | | 46 | 68015A | 2 | STUDMOTOR MOUNT EZ-8 |
| 5 | 170686 | 1 | NUTLK FOR 1/2 CONDUIT | | 26 | 80501A | 1 | KEY MTR SHAFT-3/16SQ X 1 1/4L | | 47 | 69031A | 1 | SHIM MOTORPNTD EZ-8 |
| 6 | 61089A | 1 | PULLEYFAN/DRUM EZ-8 | | 27 | 81211A | 2 | NUT HEX SERRATED FLANGE 5/1 | | 48 | 82504A | 1 | PINCLEVIS5/16 X 3/4 |
| 7 | 80027A | 6 | BOLT ROUND HD SQ NECK 5/16 X | | 28 | 962689 | 4 | SCR 1/4 -28X 1/4 ST ST CUPNL | | 49 | 25903A | 1 | MAINFRAMEPNTD EZ-8 |
| 8 | 50917A | 1 | BELTFAN EZ-8 | | 29 | 66161A | 1 | PULLEY DRUM EZ-8 | | 50 | 81208A | 2 | NUT HEX SERRATED FLANGE 5/1 |
| 9 | 50916A | 1 | BELTDRUM EZ-8 | | 30 | 86114A | 1 | SCREW1/2-13 X 2 1/2 SOC LOW H | | 51 | 44665A | 1 | MOTOR UK EZ-8 115/50 |
| 10 | 22122A | 1 | COVERFANPNTD EZ-8 | | 31 | 915082 | 1 | KEY 3/16 X 3/16 X 3/4 LG | | | 44648A | 1 | MOTOR 1.5 HP 240V/50HZ EZ-8 |
| 11 | 902567 | 2 | BEARING BALLDOUBLE SEALED | | 32 | 51178A | 2 | BEARINGARBOR EZ-8 | | 52 | 170637 | 1 | CONDUITCONNECTOR 3/8 2 SCREW |
| 12 | 915561 | 2 | HP404 KEY HARDENED | | 33 | 81211A | 4 | NUT HEX SERRATED FLANGE 5/1 | | 53 | 915580 | 1 | KEY MTR SHAFT-3/16SQ X 1 1/2L |
| 13 | 920196 | 1 | NUT-1/2-13 HEX JAM | | 34 | 67459A | 1 | SHAFTARBORCLAMP DRUM EZ-8 | | 54 | 57423A | 1 | RING RETAINING .75 SHAFT ENC20 |
| 14 | 66159A | 1 | PULLEY FAN EZ-8 | | 35 | 60434A | 1 | ARM TRUCK LEVEL EZ-8 | | 55 | 77234A | 1 | LABELWARNINGHEAVY OBJECT |
| 15 | 167312 | 1 | RING RETAIN 40137 | | 36 | 85835A | 1 | SCREW1/4-20 X 2 1/2 HEX HEAD | | 56 | 51095A | 1 | COVER CAPACITOR EZ-8 |
| 16 | 962798 | 3 | SCR 10-24X 1/2 PN SS | | 37 | 920196 | 1 | NUT-1/2-13 HEX JAM | | 57 | 40545A | 1 | FAN MOTOR EZ-8 |
| 17 | 67457A | 1 | SHAFTFAN EZ-8 | | 38 | 980645 | 2 | WASHER 3/8 FLAT SAE | | 58 | 52465A | 1 | COVER MOTOR FAN EZ-8 |
| 18 | 980681 | 1 | WASH-33/64IX1&1/16O WAVE | | 39 | 60435A | 1 | ARM TRUCK LIFT EZ-8 | | | 41308A | 1 | CAPACITOR RUN 240V EZ-8 |
| 19 | 877307 | 1 | RING SNAP TA 5133-50 | | 40 | 920110 | 1 | NUT LK 5/16-18 REGPLTD | | | 41309A | 1 | CAPACITOR START 240V EZ-8 |
| 20 | 65005A | 1 | IMPELLER FAN EZ-8 | | 41 | 65707A | 1 | LINK CONTROL ADJUSTER EZ-8 | | | 47392A | 1 | SWITCH THERMAL 230V 240V EZ- |
| 21 | 60166A | 1 | AXLE TRUCK EZ-8 | | 42 | 58698A | | SPRING TRUCK LEVELING EZ-8 | | | | | |
| 22 | 980648 | 3 | WASH-17/32 ID X 1&1/16 OD PLN | | 43 | 58699A | 1 | SPRING DRUM PRESSURE EZ-8 | | | | | |