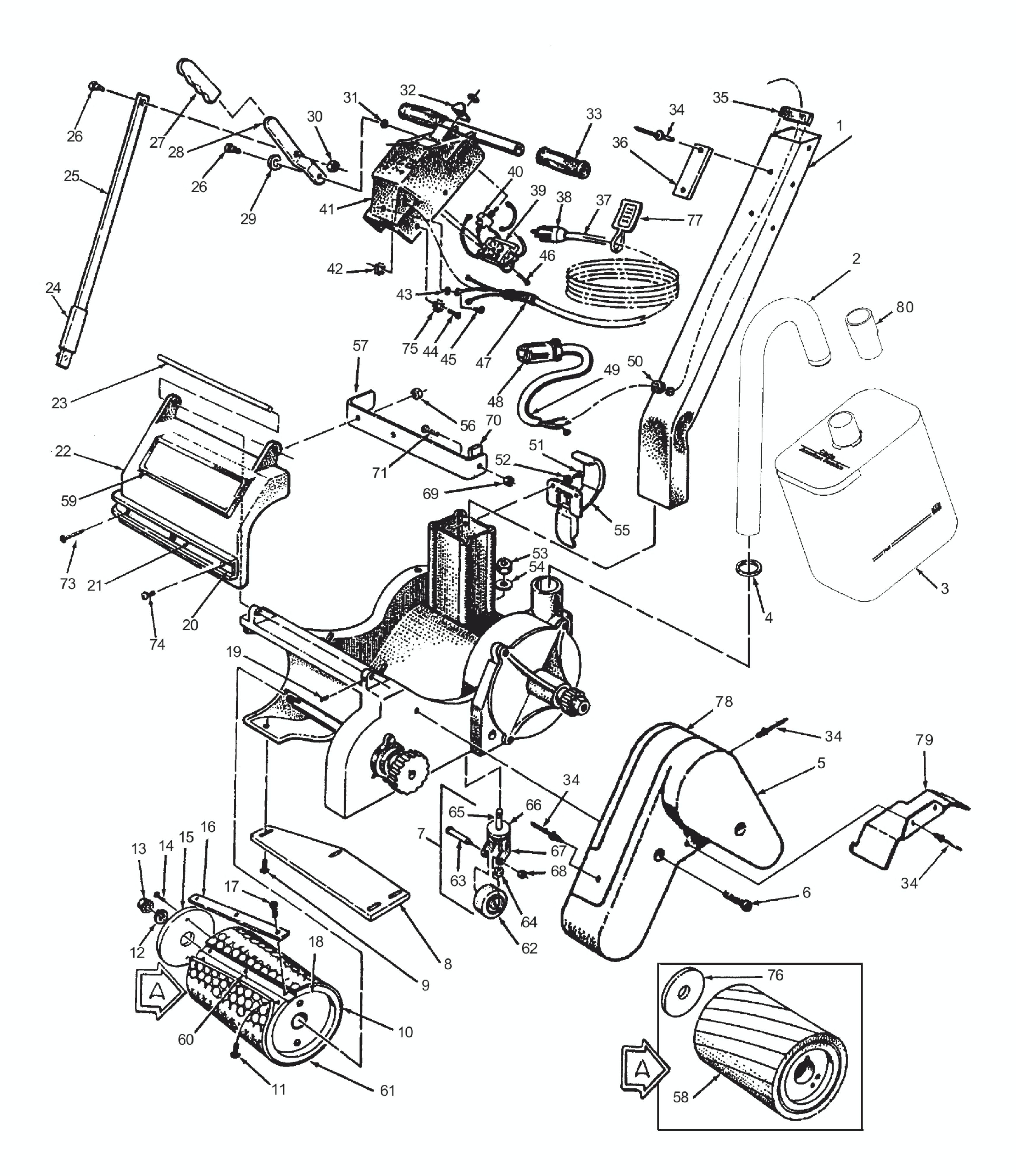
To purchase parts for the Clarke EZ-8 (Main Assembly 2):
- Reference the part needed from the parts diagram and refer to the parts list below.
- Copy the Part Number and paste it into the search window above to see availability and pricing.
- Confirm your parts selection and "Add To Cart".
Item | Part Number | Qty | Description | Item | Part Number | Qty | Description | Item | Part Number | Qty | Description | ||
1 | 69106A | 1 | TUBEHANDLEPNTD EZ-8 | 29 | 980022 | 1 | WASHER WAVE | 55 | 55711A | 1 | LATCH DRAW | ||
2 | 61897A | 1 | PIPE DUST EZ-8 | 30 | 920110 | 1 | NUT LK 5/16-18 REGPLTD | 56 | 920296 | 2 | NUT 10-24 ELASTIC STOP | ||
3 | 53741A | 1 | BAG DUST OBS-18 | 31 | 980645 | 2 | WASHER 3/8 FLAT SAE | 57 | 69098A | 1 | STRIP WEAR EZ-8 | ||
4 | 68285A | 1 | SUPPORT TUBE | 32 | 63928A | 1 | GUARD SWITCH EZ-8 | 58 | 21011A | 1 | DRUM EXPANDER 6X8 EZ-8 | ||
5 | 20010B | 1 | GUARD BELT EZ-8 | 33 | 34610A | 2 | GRIP 7/8 HANDLE CM-20 EZ-8 | 11115A | 1 | DRUM ASM RECONDITIONED 6X 8 | |||
6 | 962988 | 2 | SCREW 1/4-20X1 1/4 PN ST PH | 34 | 930093 | 6 | POP RIVET 1/8X1/4-5/16 | 59 | 70488A | 1 | PLATENAME CAS****OBSOLETE**** | ||
7 | 52125A | 1 | CASTER EZ-8 | 35 | 97100A | Ref. | TRIMVINYLBLACK400 FT. SPOOL | 60 | 65103A | 3 | INSERT THREADED CLAMP DRUM | ||
8 | 67612A | 1 | SHOEDUST EZ-8 | 36 | 74052A | 1 | PLATE WARNING EZ-8 | 61 | 13507A | 1 | DRUM ASM CLAMP STYLE EZ-8 | ||
9 | 962826 | 4 | SCREW 10-24X 3/8 PN ST TP F PH | 37 | 42192A | 1 | CORDSETPOWER W/309 16-4H PLUG | 62 | 59960A | 1 | WHEEL CASTER EZ-8 | ||
10 | 32364A | 1 | COVER DRUM CLAMP STYLE EZ-8 | 40517A | 1 | CORDSET P0WER W/ UK1-13P | 63 | 80012A | 1 | BOLT SHOULDER 5/16 X 1 1/2 | |||
11 | 962823 | 13 | SCR 1/4-20 X 1/2 PN ST PH | 38 | 45609A | 1 | PLUG UK1-13P 13A UK B-2 | 64 | 81307A | 1 | NUT7/16-14 HEX JAM EZ-8 | ||
12 | 65310A | 1 | KEY WASHER EZ-8 | 39 | 41807A | 1 | CONTACTOR1 1/2 HP 115 V EZ-8 | 65 | 67468A | 1 | SHAFT CASTER EZ-8 | ||
13 | 920365 | 3 | NUT LK 1/2-13 REGPLTD | 41808A | 1 | CONTACTOR 1.5 HP 240 V EZ-8 | 66 | 51194B | 2 | BEARING FLANGED1.375X.500X.313 | |||
14 | 85313C | 4 | SCREW 6-32 X 3/8 PAN HD | 40 | 47387B | 1 | SWITCH TOGGLE DP3T W/WIRES | 67 | 29405A | 1 | YOKE CASTER EZ-8 | ||
15 | 68613A | 1 | PLATE DRUM END EZ-8 | 41 | 24525A | 1 | HOUSINGCONTROLPNTD EZ-8 | 68 | 920284 | 1 | NUTSTOPELASTIC1/4-20HEAVY | ||
16 | 162007 | 1 | CLAMP PAPER DU-8R THREE HOLE | 42 | 81210A | 1 | LOCKNUT CONDUIT 3/8 | 69 | 81217A | 2 | NUT 1/4-20 X .218H NYLOCK | ||
17 | 962733 | 3 | SCR 12-24X1 FT SS MACH | 43 | 980675 | 1 | WASH-.190IDX.406OD EX TH | 70 | 60906A | 2 | BLOCK WEAR EZ-8 | ||
18 | 1 | DRUM, CLAMP STYLE | 44 | 962677 | 6 | SCREW 10-24X 3/4 PN ST TP23 PH | 71 | 962505 | 2 | SCR 1/4 -20X 5/8 SF ST CAP | |||
19 | 962170 | 1 | SCR 10-24X 1/4 ST ST CUPPT | 45 | 962826 | 1 | SCREW 10-24X 3/8 PN ST TP F PH | 72 | 77299A | 1 | LABEL CAUTION EZ-8 | ||
20 | 66948A | 1 | RETAINERBUMPERPLTD EZ-8 | 46 | 962109 | 2 | SCR 10-24X 5/8 PN SS | 73 | 85381A | 2 | SCREW 10-24 X 3/4 MACH PAN | ||
21 | 31223A | 1 | BUMPERFRONT EZ-8 | 47 | 337504 | 1 | STRAIN RELIEF 3/8 | 74 | 85517A | 5 | SCREW 10-24X1/2 PN SB TP-T PH | ||
22 | 22123A | 1 | COVERFRONTPNTD EZ-8 | 48 | 41708A | 1 | CONNECTORELECT.NEMA L6-15R | 74 | 85517A | 3 | SCREW 10-24X1/2 PN SB TP-T PH | ||
23 | 64469A | 1 | HANDLE LIFT EZ-8 | 49 | 41971A | 1 | CORD INTERCONNECT UK EZ-8 | 75 | 980603 | 1 | WASHER LK 10 EXT TOOTHPLTD | ||
24 | 61659A | 1 | COLLAR CONTROL LINK EZ-8 | 50 | 51523A | 1 | BUSHING STRAIN RELIEF | 76 | 68651A | 2 | PLATE DRUM END EZ-8 SLEEVE | ||
25 | 65706A | 1 | LINKCONTROL EZ-8 | 51 | 962094 | 2 | SCR 1/4 -20X 3/8 RD ST MACH | 77 | 70175A | 1 | TAG WARNING ENG-SPN | ||
26 | 960952 | 2 | BOLT SHOULDER 3/8 X 3/8 | 52 | 170892 | 2 | WASHER LK 1/4 REGSS | 78 | 50818A | 1 | SHIELD UPPER BELT EZ-8 | ||
27 | 34609A | 1 | GRIPCONTROL LEVER EZ-8 | 53 | 920196 | 1 | NUT-1/2-13 HEX JAM | 79 | 50817A | 1 | SHIELD LOWER BELT EZ-8 | ||
28 | 65618A | 1 | LEVERCONTROL EZ-8 | 54 | 980648 | 1 | WASH-17/32 ID X 1&1/16 OD PLN | 80 | 30563A | 1 | ADAPTOR2 TUBE X 1.50 CUFF |