Clarke 3DS PARTS

If you have the part number you need simply enter it in the Search window above to see price, availability, and to order. To find a part number, click on the applicable machine diagram below. If your machine is not listed here, or your part is not present, please contact American Sanders Customer Service.


Clarke 3DS Main Assembly

clarke-3ds-main-assembly

 


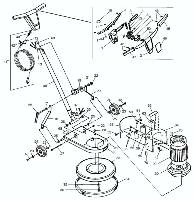
Clarke 3DS Motor Drive System Assembly

clarke-3ds-motor-drive-system

Clarke Sander 1600 PARTS

If you have the part number you need simply enter it in the Search window above to see price, availability, and to order. To find a part number, click on the applicable machine diagram below. If your machine is not listed here, or your part is not present, please contact American Sanders Customer Service.


Clarke Sander 1600DC Main Assembly

clarke-sander-1600DC-main-assembly


Clarke Sander 1600DC Dust Control Assembly

clarke-sander-1600DC-dust-control


Clarke Sander 1600 Model 07100A Main Assembly

clarke-sander-1600-main-assembly

Clarke Sander 1600 Model 07100A Gearbox Assembly

clarke-sander-1600-gearbox