Clarke American 8 Drum Sander PARTS

If you have the part number you need simply enter it in the Search window above to see price, availability, and to order. To find a part number, click on the applicable machine diagram below. If your machine is not listed here, or your part is not present, please contact American Sanders Customer Service.


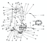
American 8 Main Assembly

american-8-main-assembly


American 8 Base Assembly

american-8-base-assembly


American 8 Handle  Assembly

american-8-handle-assembly

Clarke American 12 Drum Sander PARTS

If you have the part number you need simply enter it in the Search window above to see price, availability, and to order. To find a part number, click on the applicable machine diagram below. If your machine is not listed here, or your part is not present, please contact American Sanders Customer Service.


American 12 Base Assembly 1

clarke-american-12-base-assembly-1


American 12 Base Assembly 2

clarke-american-12-base-assembly-2


American 12 Belt Guard 1

clarke-american-12-belt-guard-1


American 12 Belt Guard 2

clarke-american-12-belt-guard-2


American 12 Drum Assembly

clarke-american-12-drum-assembly


American 12 Dust Control

clarke-american-12-dust-control-


American 12 Handle Assembly 1

clarke-american-12-handle-assembly-1


American 12 Handle Assembly 2

clarke-american-12-handle-assembly-2


American 12 Motor Assembly 1

clarke-american-12-motor-assembly-1


American 12 Motor Assembly 2

clarke-american-12-motor-assembly-2


American 12 Motor Assembly 3

clarke-american-12-motor-assembly-3


American 12 Accessories

clarke-american-12-accessories

Clarke American EZ-8 Drum Sander PARTS

If you have the part number you need simply enter it in the Search window above to see price, availability, and to order. To find a part number, click on the applicable machine diagram below. If your machine is not listed here, or your part is not present, please contact American Sanders Customer Service.


Clarke EZ-8 Assembly 1

clarke-american-ez-8-main-assembly


Clarke EZ-8 Assembly 2

clarke-american-ez-8-main-assembly-2

American DU-8R Drum Sander PARTS

If you have the part number you need simply enter it in the Search window above to see price, availability, and to order. To find a part number, click on the applicable machine diagram below. If your machine is not listed here, or your part is not present, please contact American Sanders Customer Service.


DU-8R Main Assembly

american-du-8r-main assembly


DU-8R Motor Assembly

american-8r-motor-assemby


DU-8R Drum Assembly

american-8r-drum-assembly

Clarke American FA-8 Drum Sander PARTS

If you have the part number you need simply enter it in the Search window above to see price, availability, and to order. To find a part number, click on the applicable machine diagram below. If your machine is not listed here, or your part is not present, please contact American Sanders Customer Service.


FA-8 Assembly 1

clarke-american-fa-8-assembly-1


FA-8 Assembly 2

clarke-american-fa-8-assembly-2